
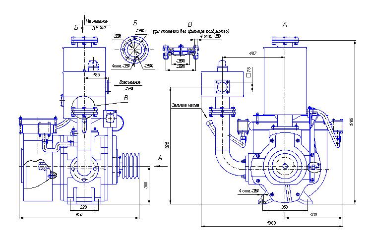
Вакуум-компрессор ВК-12М2 модификации "Ц" изготавливается из серого чугуна и сталей обычных марок, модификации "Н"-колесо рабочее изготавливается из алюминия, а остальные детали из чугуна и сталей обычных марок. Вращение ротора компрессора может быть левым или правым.
Установка вакуум-компрессора ВК-12М2 модификаций "Ц" и "Н" предназначена для создания вакуума или небольшого избыточного давления в закрытых аппаратах.
Установка вакуум-компрессора ВК-12М2 модификации:
"Ц" – предназначена для отсоса воздуха и использования на машинах типа «цементовоз» для транспортирования цемента.
"Н" – предназначена для отсоса агрессивных смесей, образуемых испарением веществ.
| Давление начальное, номинальное, абс., МПа (кгс/см2) | |
| в режиме насоса | 0,04 (0,4) |
| в режиме компрессора | 0,1 (1,0) |
| Давление конечное, номинальное, абс., МПа (кгс/см2) | |
| в режиме насоса | 0,1 (1,0) |
| в режиме компрессора | 0,15 (1,5) |
| Производительность при номинальных значениях давления начального и конечного, м3/мин | |
| при давлении (начальном) абс., - МПа (кгс/см2)0,04(0,4) | 8,5±10% |
| при давлении (конечном) абс., - МПа (кгс/см2)0,15(1,5) | 8,5±10% |
| при давлении (конечном) абс., - МПа (кгс/см2)0,2(2,0) | 6,5±10% |
| Мощность, потребляемая, не более, кВт | |
| в режиме насоса | 20±10% |
| в режиме компрессора | 30±10% |
| Частота вращения ротора, об/мин | 1000 |
| Количество заливаемого масла, л | 36,0 |
| Расход масла на унос, г/ч | 40,0 |
| Утечка масла через уплотнение вала, не более, см3/ч | 30,0 |
| Температура нагрева масла, не более, oС | 100 |
| Масса вакуум-компрессора, не более, кг | |
| модификации "Ц" | 360 |
| модификации "Н" | 340 |