
Вакуум-насос ВВН-ЗН предназначен для создания вакуума в закрытых аппаратах и должен применяться на жидкостях и парах и газах стойких к стали 12Х18Н9Т.
Вакуум-насос ВВН-ЗН применяется в химической, пищевой, целлюлозно-бумажной и других отраслях промышленности.
| Производительность, приведенная к условиям всасывания, м3/с (м3/мин) | 0,0533(3,2)±10% |
| Давление начальное, номинальное, абс., МПа (кгс/см2) | 0,03(0,3) |
| Давление конечное, номинальное, абс., МПа (кгс/см2) | 0,1(1,0) |
| Мощность электродвигателя, кВт | 7,5 |
| Частота вращения синхронная, C-1(об/мин) | 25(1500) |
| Мощность, потребляемая при номинальной производительности, кВт | 5,6±10% |
| Количество воды. подаваемой в насос, не более, м3/с (л/мин) | 0,2x10-3(12) |
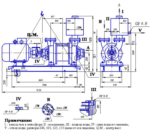
| Масса насоса вакуумного, кг | 380 |
| Температура газа начальная, номинальная, не более, К(oС) | 293(20) |
| Температура, поступающей в насос воды, номинальная. К(oС) | 288(15) |