
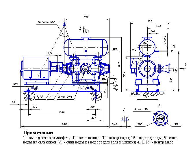
Насос вакуумный водокольцевой ВВН1-25 предназначен для создания вакуума или отсоса газов, неагрессивных к серому чугуну, из закрытых аппаратов.
Насос вакуумный водокольцевой ВВН1-25 применяется в химической, пищевой целлюлозно-бумажной и других отраслях промышленности.
| Производительность, приведенная к условиям всасывания, м3/с (м3/мин) | 0,416±10%(25±10%) |
| Давление начальное, номинальное, абс., МПа (кгс/см2) | 0,04(0,4) |
| Давление конечное, номинальное, абс., МПа (кгс/см2) | 0,1(1,0) |
| Производительность номинальная при давлении начальном, абс., 0,02 МПа,м3/с (м3/мин) | 0,366(22) |
| Мощность потребляемая при номинальной производительности, не более , кВт | 35,0 |
| Расход воды, не более,м3/сек(л/мин) | 0,791x10-3(47,5) |
| Частота вращения синхронная, об/мин | 730 |
| Масса вакуум-насоса, не более, кг | 1840 |
| Температура газа начальная, номинальная, не более, К(oС) | 293(20) |
| Температура, поступающей в насос воды, номинальная. К(oС) | 288(15) |