
Жидкостно-кольцевой вакуум-насос ЖВН-12Н предназначен для создания вакуума в закрытых аппаратах и применяется на жидкостях и малорастворимых в них парах и газах стойких к стали 12Х18Н9Т.
Жидкостно-кольцевой вакуум-насос ЖВН-12Н применяется в химической, пищевой, целлюлозно-бумажной и других отраслях промышленности.
| Производительность, приведенная к условиям всасывания, м3/с (м3/мин) | 0,175(10,5) |
| Давление начальное, номинальное, абс., МПа (кгс/см2) | 0,03(0,3) |
| Давление конечное, номинальное, абс., МПа (кгс/см2) | 0,1(1,0) |
| Мощность электродвигателя, кВт | 22,0 |
| Частота вращения синхронная, C-1(об/мин) | 16,7(1000) |
| Мощность, потребляемая при номинальной производительности, кВт | 21,0±10% |
| Количество воды. подаваемой в насос, не более, м3/с (л/мин) | 0,8x10-3(48) |
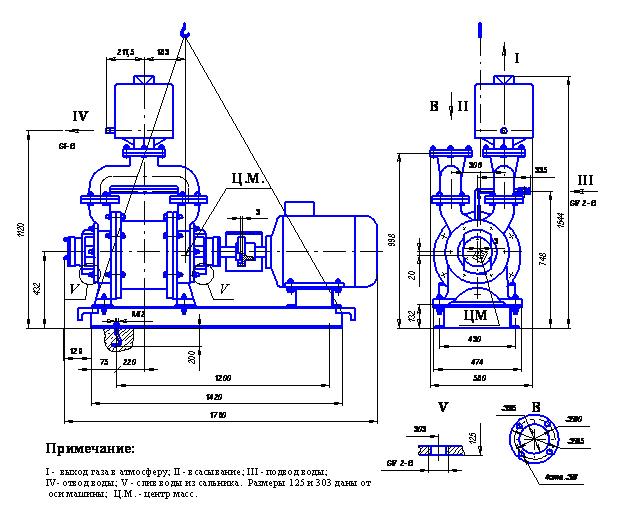
| Масса насоса вакуумного, кг | 1040 |
| Температура газа начальная, номинальная, не более, К(oС) | 293(20) |
| Температура, поступающей в насос воды, номинальная. К(oС) | 288(15) |