
Примечание:
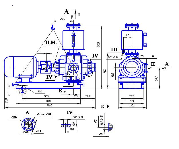
I - нагнетание; II - всасывание; III - отвод воды; Е-Е - подвод воды; V- слив воды из сальников; размеры 195, 127, 145 ,90, 15 даны от оси машины; Ц.М. - центр масс
Компрессор водокольцевой ВК-3М1 предназначен для создания небольшого избыточного давления в закрытых аппаратах.
Компрессор водокольцевой ВК-3М1 применяется в химической, пищевой, целлюлозно-бумажной и других отраслях промышленности.
| Производительность, приведенная к условиям всасывания, м3/с (м3/мин) | 0,0508(3,05)± 10% |
| Давление начальное, номинальное, абс., МПа (кгс/см2) | 0,1 (1,0) |
| Давление конечное, номинальное, абс., МПа (кгс/см2) | 0,15(1,5) |
| Мощность электродвигателя, кВт | 11,0 |
| Частота вращения синхронная, C-1(об/мин) | 25 (1500) |
| Мощность, потребляемая при номинальной производительности, кВт | 5,55±10% |
| Количество воды подаваемой в насос, не более, м3/с (л/мин) | 0,133x10-3 (8) |
| Масса насоса вакуумного, кг | 264 |
| Температура газа начальная, номинальная, не более, К(oС) | 293(20) |
| Температура, поступающей в насос воды, номинальная. К(oС) | 288(15) |